consumer unit wiring diagram uk

Wiring at consumer units and distribution boards. 18 Images about Wiring at consumer units and distribution boards : How To Wire Rcd In Garage, Shed Consumer Unit (Uk). Consumer Unit, Wiring A Garage Consumer Unit Diagram - Search Best 4K Wallpapers and also Ring circuit - DIYWiki.

Wiring At Consumer Units And Distribution Boards

Wiring at consumer units and distribution boards www.voltimum.co.uk

Wiring Diagram For Consumer Unit

Wiring Diagram For Consumer Unit strawberry-sweet.blogspot.com

wiring garage electrical diagram consumer unit homeemoney source strawberry sweet selection

DIY Wiring A Consumer Unit And Installation - Distribution Board

DIY Wiring a Consumer Unit and Installation - Distribution Board www.electrolesk.com

wiring distribution consumer unit mcb rail din installation diagram rcd phase single electrical electric fixed diy devices mcbs easily done

Ring Circuit - DIYWiki

Ring circuit - DIYWiki wiki.diyfaq.org.uk

Domestic Plastic Electrical Consumer Unit Distribution Unit With RCD

domestic plastic electrical consumer unit distribution unit with RCD www.alamy.com

unit consumer installing qualified electrician wired being switches rcd domestic distribution electrical plastic trip alamy

Eec247 Guide To Dealing With An Electrical Emergency

eec247 Guide to dealing with an Electrical Emergency www.eec247.com

consumer unit 17th wiring rcd fuse emergency box main switch regulations typical installed modern wylex edition side electrical extreme hand

Wiring A Garage Consumer Unit Diagram - Search Best 4K Wallpapers

Wiring A Garage Consumer Unit Diagram - Search Best 4K Wallpapers www.smarts4k.com

lewden

Wiring Diagram Of Split Load Consumer Unit - REDLYNE

Wiring Diagram Of Split Load Consumer Unit - REDLYNE redlyne.blogspot.com

Wiring Up A Garage Consumer Unit - Room Pictures & All About Home

Wiring Up A Garage Consumer Unit - Room Pictures & All About Home teresayabarsterling.blogspot.com

Wiring Diagram Garage Consumer Unit : Garage Fuse Box Wiring Diagram

Wiring Diagram Garage Consumer Unit : Garage Fuse Box Wiring Diagram wiringdiagrams9.blogspot.com

imageservice wire uk420

Consumer Unit Wiring - 17th Edition. | Domestic Wiring, Home Electrical

Consumer unit wiring - 17th Edition. | Domestic wiring, Home electrical www.pinterest.com.au

distribution

Wiring Diagram For Bg Garage Consumer Unit - Style Guru: Fashion, Glitz

Wiring Diagram For Bg Garage Consumer Unit - Style Guru: Fashion, Glitz www.stylesgurus.com

Shed Electrical Wiring Diagram Uk - Home Wiring Diagram

Shed Electrical Wiring Diagram Uk - Home Wiring Diagram homewiringdiagram.blogspot.com

Bg Garage Consumer Unit Wiring Diagram

Bg Garage Consumer Unit Wiring Diagram griniesgiaola.blogspot.com

mcb

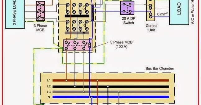
Power Supply And Wiring System For Consumer Mains | Electronics

Power Supply and Wiring System for Consumer Mains | Electronics www.pinterest.com

Wiring A Ring Main | Electrical Wiring | Wiring A Circuit | Electrical

Wiring a Ring Main | Electrical Wiring | Wiring a Circuit | Electrical www.diydoctor.org.uk

ring wiring main circuit electrical mains diy projects

Domestic Wiring Diagram Uk - USTANOTHERINKSPOT

Domestic Wiring Diagram Uk - USTANOTHERINKSPOT ustanotherinkspot.blogspot.com

mcb enacademic switchboard diywiki extractor

How To Wire Rcd In Garage, Shed Consumer Unit (Uk). Consumer Unit

How To Wire Rcd In Garage, Shed Consumer Unit (Uk). Consumer Unit annawiringdiagram.com

rcd

Wiring up a garage consumer unit. Consumer unit 17th wiring rcd fuse emergency box main switch regulations typical installed modern wylex edition side electrical extreme hand. Wiring diagram for consumer unit