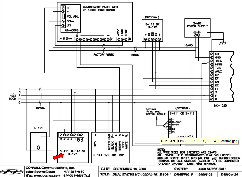
cornell nurse call wiring diagram

Cornell A-4200 Annunciator Panel 4 - 44 Zones in 4 Zone Increments. 9 Pictures about Cornell A-4200 Annunciator Panel 4 - 44 Zones in 4 Zone Increments : Cornell A-4200 Annunciator Panel 4 - 44 Zones in 4 Zone Increments, Cornell 4000 Nurse Call System Data Sheets, Wiring Diagrams, Specifications and also Wiring Diagram Nurse Call System - Home Wiring Diagram.

Cornell A-4200 Annunciator Panel 4 - 44 Zones In 4 Zone Increments

Cornell A-4200 Annunciator Panel 4 - 44 Zones in 4 Zone Increments www.cornell.com

system cornell annunciator panel wiring call rescue area assistance box help systems installation increments zones zone emergency

Nurse Call System Annunciator Panel Easy Label Series | Cornell

Nurse Call System Annunciator Panel Easy Label Series | Cornell www.cornell.com

call nurse cornell system annunciator installation wiring schematic diagram label easy series help panel

Cornell Nurse Call Wiring Diagram - Wiring Diagram

Cornell Nurse Call Wiring Diagram - Wiring Diagram jumpstarterdiscount.blogspot.com

Wiring Diagram Nurse Call System - Home Wiring Diagram

Wiring Diagram Nurse Call System - Home Wiring Diagram homewiringdiagram.blogspot.com

30 Cornell Nurse Call Wiring Diagram - Wiring Diagram List

30 Cornell Nurse Call Wiring Diagram - Wiring Diagram List skippingtheinbetween.blogspot.com

cornell refuge

Cornell 4000 Nurse Call System Data Sheets, Wiring Diagrams, Specifications

Cornell 4000 Nurse Call System Data Sheets, Wiring Diagrams, Specifications www.becaudio.com

cornell nurse call system annunciator visual annunciators

Cornell Nurse Call Wiring Diagram For Your Needs

Cornell Nurse Call Wiring Diagram For Your Needs www.dentistmitcham.com

cornell

30 Cornell Nurse Call Wiring Diagram - Wiring Diagram List

30 Cornell Nurse Call Wiring Diagram - Wiring Diagram List skippingtheinbetween.blogspot.com

cornell panel

Cornell Nurse Call Wiring Diagram - Free Wiring Diagram

Cornell Nurse Call Wiring Diagram - Free Wiring Diagram tianpinyt.blogspot.com

30 cornell nurse call wiring diagram. System cornell annunciator panel wiring call rescue area assistance box help systems installation increments zones zone emergency. Cornell panel