craftsman tractor parts diagram

HELP ME FIX MY Craftsman Riding Lawn Tractor Deck #1 - YouTube. 9 Pics about HELP ME FIX MY Craftsman Riding Lawn Tractor Deck #1 - YouTube : 30 Craftsman Lt3000 Parts Diagram - Wiring Diagram Database, Craftsman 42 Inch Mower Deck Parts List | Home and Garden Designs and also Kohler Engine Electrical Diagram | Craftsman 917.270930 wiring diagram.

HELP ME FIX MY Craftsman Riding Lawn Tractor Deck #1 - YouTube

HELP ME FIX MY Craftsman Riding Lawn Tractor Deck #1 - YouTube www.youtube.com

craftsman mower riding lawn parts deck diagram tractor replace

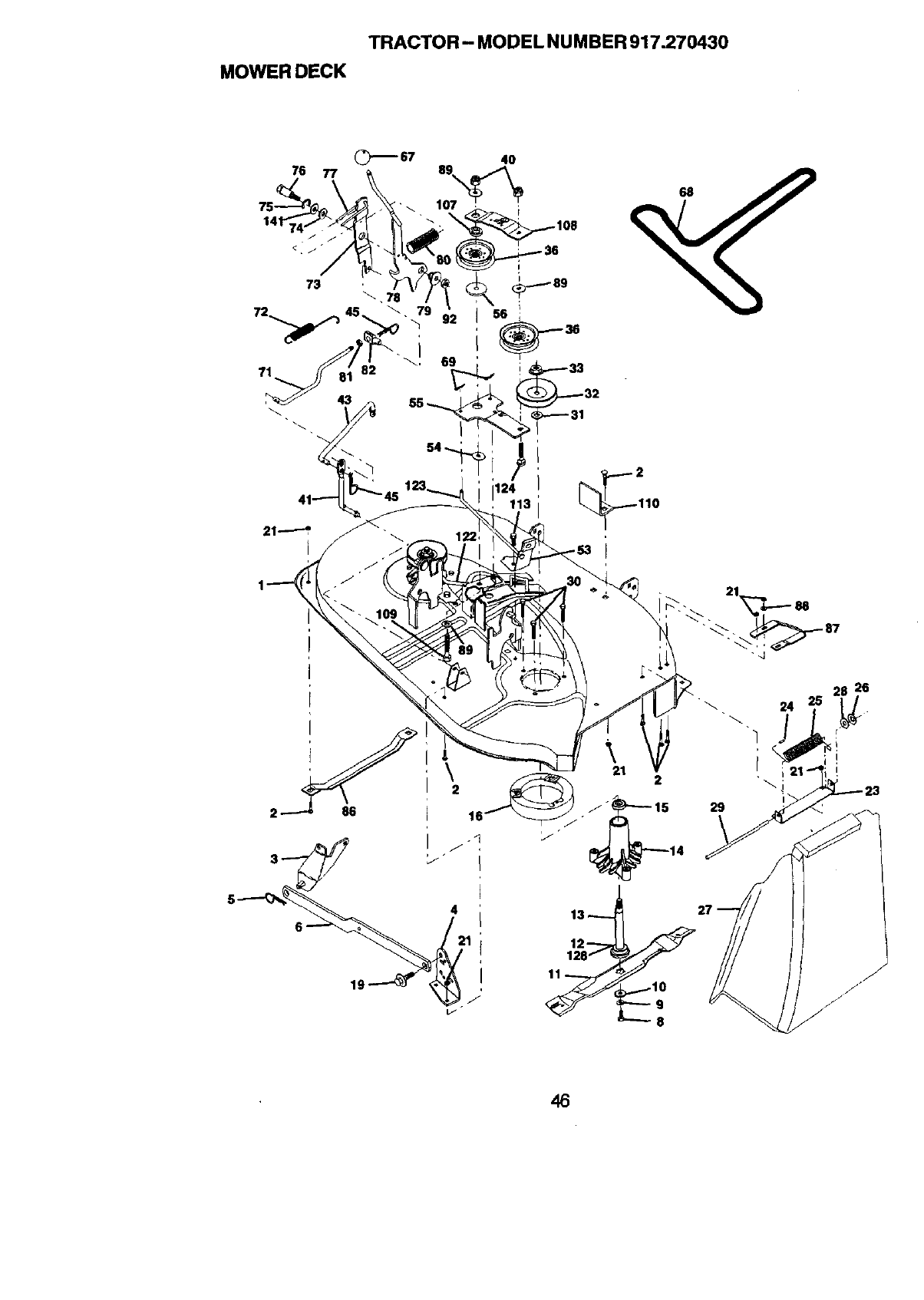
Craftsman 42 Inch Mower Deck Parts List | Home And Garden Designs

Craftsman 42 Inch Mower Deck Parts List | Home and Garden Designs www.bluegreenish.com

craftsman mower parts deck inch list garden lawn riding jessica jul tractor

Craftsman 917270430 User Manual 13.5 HP 38 MOWER 5SPD LAWN TRACTOR

Craftsman 917270430 User Manual 13.5 HP 38 MOWER 5SPD LAWN TRACTOR usermanual.wiki

CRAFTSMAN | Model #917203810 | TRACTOR | SearsPartsDirect.com

CRAFTSMAN | Model #917203810 | TRACTOR | SearsPartsDirect.com commercial.searspartsdirect.com

craftsman parts drive tractor lawn ground diagram 917 searspartsdirect sears direct

30 Craftsman Lt3000 Parts Diagram - Wiring Diagram Database

30 Craftsman Lt3000 Parts Diagram - Wiring Diagram Database kovodym.blogspot.com

catcher ltx lt3000 partsdirect ereplacementparts

Kohler Engine Electrical Diagram | Craftsman 917.270930 Wiring Diagram

Kohler Engine Electrical Diagram | Craftsman 917.270930 wiring diagram www.pinterest.com

wiring diagram lawn craftsman kohler engine mower electrical wires engines

Craftsman 48 Inch Deck Belt Diagram | Home And Garden Designs

Craftsman 48 Inch Deck Belt Diagram | Home and Garden Designs www.bluegreenish.com

diagram belt craftsman deck inch mower lawn jun garden jul

CRAFTSMAN | Model #917288525 | TRACTOR | SearsPartsDirect.com

CRAFTSMAN | Model #917288525 | TRACTOR | SearsPartsDirect.com commercial.searspartsdirect.com

drive craftsman belt parts mower t2200 tractor riding lawn ground diagram 917 searspartsdirect sears broke replacement direct

Repair Parts | Craftsman 917.258911 User Manual | Page 36 / 60

Repair parts | Craftsman 917.258911 User Manual | Page 36 / 60 www.manualsdir.com

craftsman parts manual

Craftsman 917270430 user manual 13.5 hp 38 mower 5spd lawn tractor. Craftsman 48 inch deck belt diagram. Diagram belt craftsman deck inch mower lawn jun garden jul